
| ねじ軸 | リード | ボール | 負荷 | 基本定格荷重 | 軸方向 | 取付寸法 | 形状 | CADデータ | ||||||||||||
| 呼び型番 | 外径 | 直径 | 回路数 | 動定格Ca | 静定格Coa | 剛性 | 全長 | 2D | 3D | 呼び型番 | ||||||||||
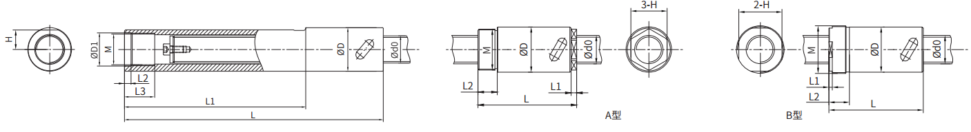
| do | Ph | DW | 列×巻 | KN | KN | N/μm | D | D1 | L | L1 | L2 | L3 | H | M | dxf | IGES | STEP | |||
| BS2010L | 20 | 10 | 4.763 | 1×3 | 13 | 23.4 | 154 | 39 | 24.5 | 300 | 256.5 | 7 | 28 | 15 | M24×1.5-6H | A型 | BS2010L | |||
| BS2505L | 25 | 5 | 3.175 | 1×12 | 31 | 92 | 665 | 40 | 30.5 | 286 | 199 | 6 | 27 | 18 | M30×1.5-6H | A型 | BS2505L | |||
| BS2510L | 25 | 10 | 3.969 | 1×5 | 19 | 45 | 293 | 40 | 27.5 | 286 | 221 | 6 | 27 | 18 | M30×1.5-6H | B型 | BS2510L | |||
| BS2010S | 20 | 10 | 3.969 | 1×3 | 11 | 21.5 | 149 | 35 | - | 70 | 3 | 17.5 | - | 29 | M34×1.5-6gLH | A型 | BS2010S | |||
| BS2505S | 25 | 5 | 3.175 | 1×9 | 24.4 | 69 | 507 | 40 | - | 87 | 5 | 17 | - | 32 | M36×1.5-6g6 | A型 | BS2505S | |||
| BS2510S | 25 | 10 | 3.969 | 1×5 | 19 | 45 | 293 | 46 | - | 78 | 3 | 18 | - | 38 | M42×1.5-6g6 | B型 | BS2510S | |||
| BS3210S | 32 | 10 | 6.35 | 1×3 | 13.6 | 34 | 188 | 50 | 78 | 3 | 18 | - | 46 | M42×1.5-6g6LH | B型 | BS3210S | ||||

表に示す軸方向剛性値(K)は軸方向基本動定格荷重(Ca)の10%の軸方向荷重かけた時の 溝とボール間の弾性変形から求めた理論値です。 軸方向荷重(Fa)が10%Caと異なる場合は次の式のより求められます。