
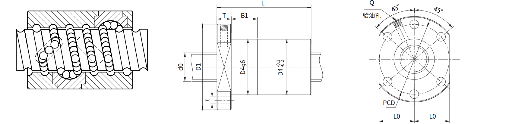
| 呼び型番 | ねじ軸 | リード | ボール | 負荷 | 基本定格荷重 | 軸方向 | ナット寸法 | CADデータ | 呼び型番 | |||||||||||
| 外径 | 直径 | 回路数 | 動定格Ca | 静定格>Coa | 剛性(K) | フランジ径 | 外径 | 全長 | 2D | 3D | ||||||||||
| do | Ph | DW | 列×巻 | KN | KN | N/μm | D1 | D4(g6) | L | T | B1 | X×Y×Z | PCD | Q | Lo | dxf | IGES | STEP | ||
| BSF3206N | 32 | 6 | 3.969 | 1×3 | 18.3 | 44 | 402 | 80 | 54 | 71 | 13 | 15 | 9 | 67 | M6 | 33 | BSF3206N | |||
| BSF3210N | 32 | 10 | 7.144 | 1×5 | 45 | 98 | 667 | 83 | 54 | 96 | 15 | 15 | 9 | 70 | M6 | 34 | BSF3210N | |||
| BSF3212N | 32 | 12 | 6.35 | 1×4 | 31.5 | 68 | 535 | 83 | 57 | 97 | 18 | 20 | 9 | 70 | M6 | 34 | BSF3212N | |||
| BSF3610N | 36 | 10 | 635 | 1×5 | 35.5 | 78.5 | 698 | 83 | 60 | 104 | 14 | 20 | 9 | 70 | M6 | 34 | BSF3610N | |||
| BSF4005N | 40 | 5 | 3.175 | 1×3 | 12.1 | 40 | 471 | 93 | 60 | 53 | 15 | 10 | 11 | 78 | RC1/8 | 38 | BSF4005N | |||
| BSF4010N | 40 | 10 | 7.144 | 1×5 | 54 | 136 | 836 | 100 | 63 | 103 | 18 | 20 | 11 | 85 | RC1/8 | 41 | BSF4010N | |||
| BSF5010N | 50 | 10 | 7.144 | 1×4 | 50 | 140 | 804 | 114 | 72 | 93 | 18 | 20 | 11 | 92 | RC1/8 | 43 | BSF5010N | |||
| BSF5016N | 50 | 16 | 12.7 | 1×5 | 120 | 278 | 493 | 132 | 95 | 168 | 28 | 30 | 11 | 112 | RC1/8 | 51 | BSF5016N | |||

表に示す軸方向剛性値(K)は軸方向基本動定格荷重(Ca)の10%の軸方向荷重かけた時の 溝とボール間の弾性変形から求めた理論値です。 軸方向荷重(Fa)が10%Caと異なる場合は次の式のより求められます。