
| 軸径 | リード(mm) | |||||||||||
|---|---|---|---|---|---|---|---|---|---|---|---|---|
| (mm) | 14 | 16 | 20 | 25 | 32 | 40 | 50 | |||||
| 50 | 467 | 533 | 667 | 833 | 1067 | 933 | ー | |||||
| 63 | ー | 423 | 370 | 463 | 593 | 688 | ー | |||||
| 80 | ー | 333 | 300 | 365 | 467 | 583 | 729 | |||||
| 100 | ー | ー | 300 | 292 | ー | ー | 583 | |||||
| 120 | ー | ー | 194 | 243 | ー | ー | ー | |||||
| 140 | ー | ー | ー | 208 | 190 | ー | ー | |||||
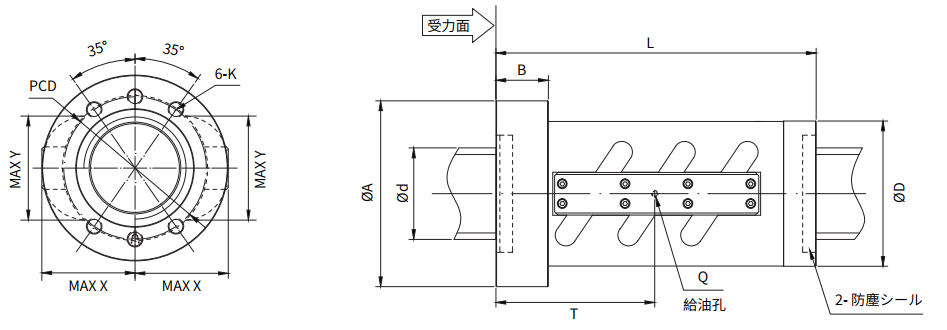
| ねじ軸 | リード | 負荷 | 基本定格荷重 | 軸方向 | ナット寸法 | CADデータ | |||||||||||||||
| 呼び型番 | 外径 | 条数 | 回路数 | 動定格Ca | 静定格Coa | 許容荷重 | フランジ径 | 外径 | 全長 | 2D | 3D | 呼び型番 | |||||||||
| do | Ph | 列×巻 | KN | KN | KN | A | D | B | L | T | PCD | K | X | Y | Q | dxf | IGES | STEP | |||
| PBS5014 | 50 | 14 | 1 | 2×2.5 | 169 | 425 | 47.5 | 126 | 80 | 28 | 143 | 104 | 102 | M10 | 55 | 59 | Rc1/8 | PBS5014 | |||
| PBS6316 | 63 | 16 | 1 | 3×2.5 | 390 | 1060 | 120.4 | 139 | 105 | 28 | 212 | 117 | 122 | M9 | 71 | 76 | Rc1/8 | PBS6316 | |||
| PBS8016 | 80 | 16 | 1 | 4×2.5 | 560 | 1790 | 204 | 180 | 130 | 32 | 262 | 120 | 156 | M12 | 77 | 97 | Rc1/8 | PBS8016 | |||
| PBS8020 | 80 | 20 | 1 | 3×2.5 | 580 | 1660 | 186.7 | 170 | 130 | 27 | 250 | 123 | 150 | M10 | 80 | 101 | Rc1/8 | PBS8020 | |||
| PBS10025 | 100 | 25 | 1 | 3×2.5 | 650 | 2100 | 231 | 207 | 167 | 40 | 317 | 158 | 187 | M10 | 99 | 121 | Rc1/8 | PBS10025 | |||
| PBS10050 | 100 | 50 | 2 | 1×3.5 | 780 | 2350 | 269.4 | 244 | 165 | 32 | 281 | 117.5 | 210 | M20 | 107 | 120 | Rc1/8 | PBS10050 | |||
| PBS12020 | 120 | 20 | 1 | 6×2.5 | 1290 | 5100 | 559.5 | 213 | 173 | 40 | 449 | 250 | 194 | M10 | 108 | 118 | Rc1/8 | PBS12020 | |||
| PBS14025 | 140 | 25 | 1 | 5×3.5 | 2000 | 8220 | 910.8 | 329 | 252 | 80 | 618 | 334.3 | 291 | M20 | 121 | 163 | Rc1/8 | PBS14025 | |||
| PBS14032 | 140 | 31 | 1 | 4×3.5 | 2480 | 8950 | 1193 | 284 | 222 | 80 | 690 | 375 | 230 | M30 | 146 | 163 | Rc1/8 | PBS14032 | |||

表に示す軸方向許容荷重は軸方向隙間を0.05㎜にした時の値です。 高荷重ボールねじは図面に示した荷重方向の使用をお勧めします。 以外の荷重方向仕様の場合はSBCに問い合わせください 使用温度は60℃以下です。